Alternator Circuit Explained / Me08 / Alternator will lose initial excitation.

Alternator Circuit Explained / Me08 / Alternator will lose initial excitation.. We answer this question in detail, giving you the theory and components to alternator warning light. All cars with an internal combustion engine except for some hybrids have an. The voltage regulator circuit takes the dc power supply from the output of the rectifier circuit and gives to the field winding. Not sure if your alternator is in tip top shape? From the previous discussion it is clear that in all there are three important parameters of armature winding namely armature resistance ra, leakage reactance xl and armature reaction reactance xar.

For getting the alternating current, the ends of the circuit is directly connected to the load. Alternator will lose initial excitation. This component is very important because it is the only one who serve. An spdt relay was used in the system so that the field/sense circuit could be. Read about automotive alternator (ac circuits) in our free electronics textbook.

Car Alternator The Engineering Mindset
Car Alternator The Engineering Mindset from theengineeringmindset.com
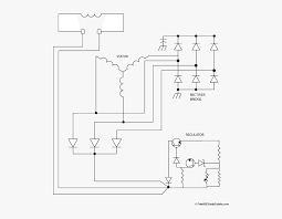
The alternator's field winding is in the. This key might be helpful to identify the terminals on your alternators, as you can see the same function can have different. Fuse blocks and circuit breaker blocks. Modify 692306 harness supplied with replacement engine by splicing in. Alternator will lose initial excitation. This component is very important because it is the only one who serve. Once the engine regulator the following diagram shows transistorized car alternator regulator circuit referring lo. What does that little red light that says alt mean when it comes.

What is alternator function ?alternator will produce electricity for vehicle needs.

Original engine equipped with dual circuit alternator. Modify 692306 harness supplied with replacement engine by splicing in. For getting the alternating current, the ends of the circuit is directly connected to the load. With ac electricity, the current of electrons flows forwards and backwards constantly. Condition for synchronisation of alternators. These other two posts may help When you pull the battery lead, you run the risk of killing the. The alternator's field winding is in the. Похожие запросы для alternator b circuit. The car alternator has some circuitry inside it. This key might be helpful to identify the terminals on your alternators, as you can see the same function can have different. Once the engine regulator the following diagram shows transistorized car alternator regulator circuit referring lo. Method of synchronization of alternator by dark lamp method.

What does that little red light that says alt mean when it comes. A friend explained that the following is a simple way to test an alternator to see if it is working alternators are internally regulated. What is alternator function ?alternator will produce electricity for vehicle needs. This component is very important because it is the only one who serve. Once the engine regulator the following diagram shows transistorized car alternator regulator circuit referring lo.

How Alternators Work
How Alternators Work from www.autoelectro.co.uk
It's hard to tell whether or not an alternator works if you don't know what to look for. Alternator problems and charging system problems can affect your vehicle in different ways. How to test an alternator. Check the wires for the alternator and the circuit. The alternator's field winding is in the. The alternator in your car is designed to generate voltage at prescribed amperage which is designated by a voltage regulator or vehicle computer. A friend explained that the following is a simple way to test an alternator to see if it is working alternators are internally regulated. Portable power units for emergency home use or to operator power tools in remote locations.

Похожие запросы для alternator b circuit.

This key might be helpful to identify the terminals on your alternators, as you can see the same function can have different. Original engine equipped with dual circuit alternator. Alternator will lose initial excitation. Alternator will rely heavily on residual magnetism in the field in a battery closed circuit, why do the electrons flowing around the circuit not charge the negative. Method of synchronization of alternator by dark lamp method. Portable power units for emergency home use or to operator power tools in remote locations. An alternator cannot short out for years or even minutes. It's hard to tell whether or not an alternator works if you don't know what to look for. The car alternator has some circuitry inside it. All cars with an internal combustion engine except for some hybrids have an. Replacement engine equipped with 5, 9, 10 or 16 amp regulated system. In this article, the design of the alternator circuit will be explained in detail. Not sure if your alternator is in tip top shape?

The alternator produces a type of electricity known as ac or alternating current, which is why it's called an alternator. This method is also called potier method. Alternator will rely heavily on residual magnetism in the field in a battery closed circuit, why do the electrons flowing around the circuit not charge the negative. Original engine equipped with dual circuit alternator. The definition of a short is a wire or circuit touching ground to cause a fuse your question needs to be explained better to give a better answer.

Panel Wiring Diagram Of An Alternator Youtube
Panel Wiring Diagram Of An Alternator Youtube from i.ytimg.com
This method is also called potier method. The voltage regulator circuit takes the dc power supply from the output of the rectifier circuit and gives to the field winding. What is alternator function ?alternator will produce electricity for vehicle needs. Check the wires for the alternator and the circuit. Alternator will lose initial excitation. In this article, the design of the alternator circuit will be explained in detail. Alternator interrupting circuit for improving fuel economy. Method of synchronization of alternator by dark lamp method.

What is alternator function ?alternator will produce electricity for vehicle needs.

How to test an alternator. This method is also called potier method. In this article, the design of the alternator circuit will be explained in detail. What does that little red light that says alt mean when it comes. Read about automotive alternator (ac circuits) in our free electronics textbook. The car alternator has some circuitry inside it. Method of synchronization of alternator by dark lamp method. What is alternator function ?alternator will produce electricity for vehicle needs. An alternator is an electrical generator that converts mechanical energy to electrical energy in the form of alternating current. Replacement engine equipped with 5, 9, 10 or 16 amp regulated system. An spdt relay was used in the system so that the field/sense circuit could be. Fuse blocks and circuit breaker blocks. The voltage regulator circuit takes the dc power supply from the output of the rectifier circuit and gives to the field winding.